Technical Drawings
Download the drawings
here
Technical Drawings | Detail 1A & 1B
Hinge Jamb
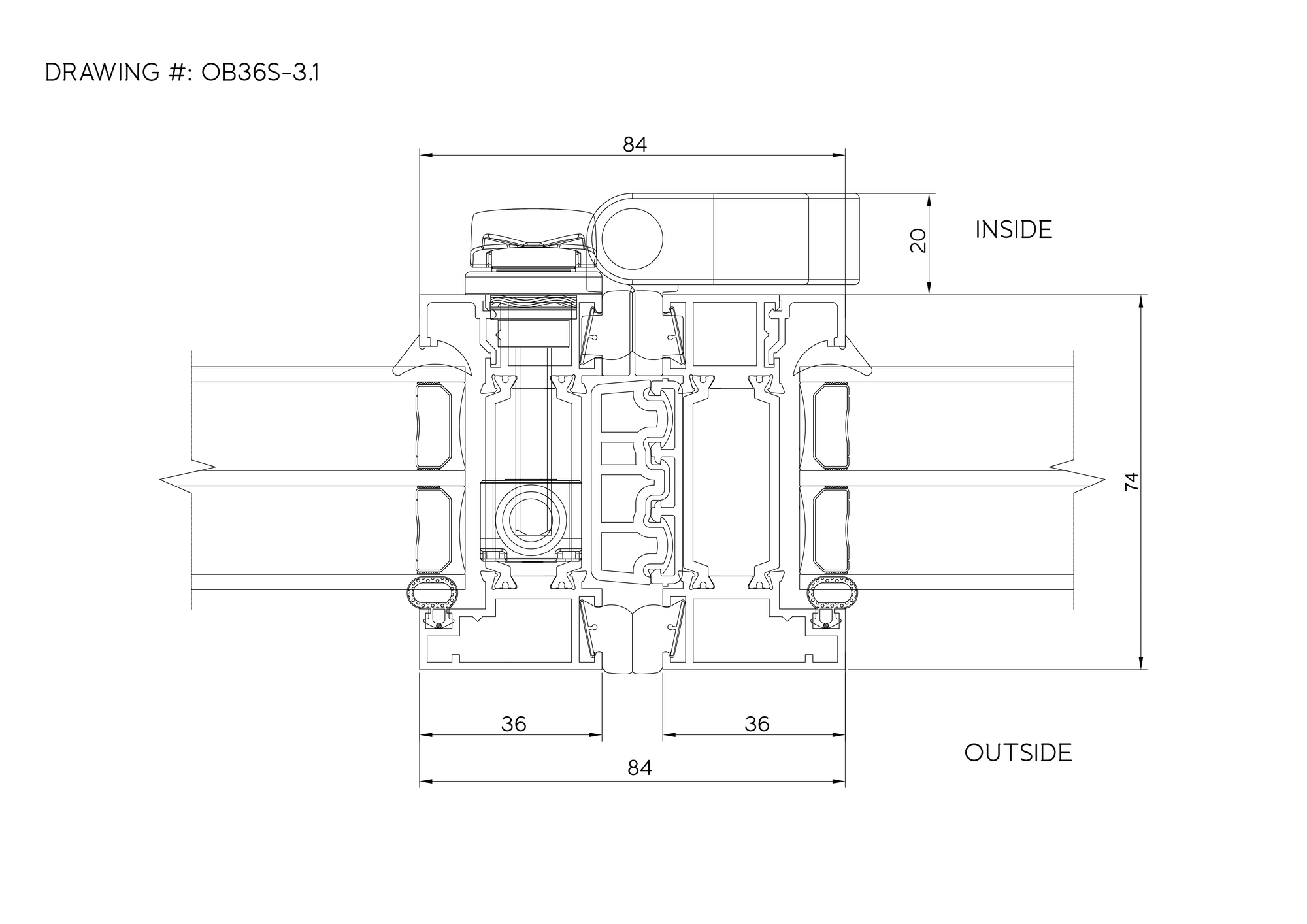
Technical Drawings | Detail 3
Outward Opening Stiles
Technical Drawings | Detail 4
Inward Opening Stiles
Technical Drawings | Detail 5A & 5B
Locking Jamb
n
Technical Drawings | Detail 6A & 6B
Lock Block Jamb
n
Technical Drawings | Detail 7A & 7B
Top Track
Technical Drawings | Detail 8A & 8B
Bottom Track
Technical Drawings | Detail 8C & 8D
Bottom Track - Face Drainage
Technical Drawings | Detail 8E & 8F
Bottom Track - Concealed Drainage
Technical Drawings | Detail 9A & 9B
Non-Weathered Threshold
Technical Drawings | Detail 10A & 10B
Low Track
Technical Drawings | Detail 10C & 10D
Low Track Face Drainage
Technical Drawings | Detail 10E & 10F
Low Track Concealed Drainage
Technical Drawings | Detail 11
Slave Handle Layout
Technical Drawings | Detail 12
Kickplate
Technical Drawings | Detail 13A
Locking Slave Handle
Technical Drawings | Detail 14A
Locking Slave Handle Dummy Lock Block
Technical Drawings | Detail 14B
Locking Slave Finger Bolt
Technical Drawings | Detail 15A
Lockblock Locking Mullion
Technical Drawings | Detail 15B
Locking Mullion
Technical Drawings | Detail 16
Standard Mullion
Technical Drawings | Detail 17
Cills
Midrail Glazing
Technical Drawings | Detail 18
Glass Divide Glazing
Technical Drawings | Detail 18B
35MM Glazing Bar
Technical Drawings | Detail 19
Jamb Fixing
Technical Drawings | Detail 20
Bottom Fixing
Technical Drawings | Detail 21
20mm Trickle Vent
Technical Drawings | Detail 22
Glazing Options
Technical Drawings | Detail 23
Frame Extender
Technical Drawings | Detail 24A & 24B
90° Moving Corner Post -
COMING SOON
Technical Drawings | Detail 25A & 25B
90° Fixed Corner Post -
COMING SOON
Technical Drawings | Detail 25C
Fixed Corner Post -
COMING SOON
Technical Drawings | Detail 26
Universal Coupler
Technical Drawings | Detail 27
Threshold Options
Created with Sketch.